Bell-Tainter Graphophone

Discussions on Talking Machines & Accessories
Post Reply
User avatar
phonogfp
Victor Monarch Special
Posts: 8366
Joined: Wed Jan 07, 2009 5:08 pm
Personal Text: "If you look for the bad in people expecting to find it, you surely will." - A. Lincoln
Location: New York's Finger Lakes

Bell-Tainter Graphophone

Post by phonogfp »

“On This Day in the History of Recorded Sound…”

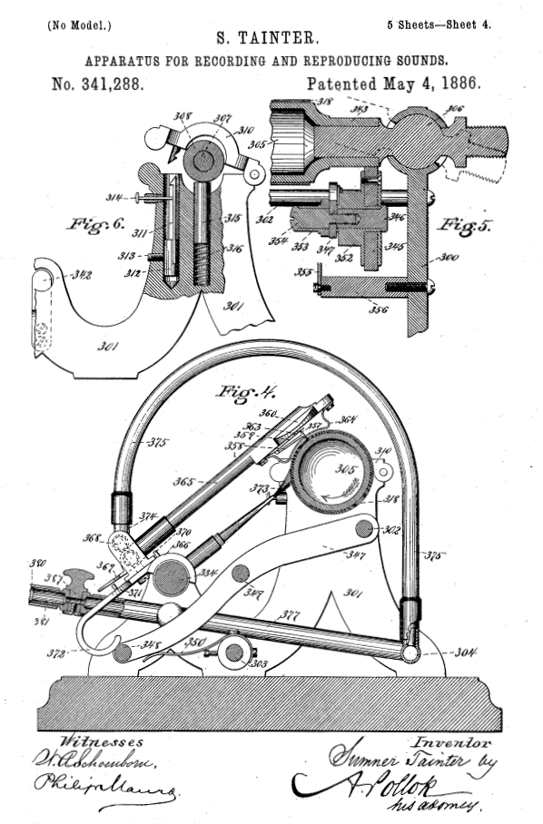
December 4, 1885: Charles Sumner Tainter filed for a U.S. patent for “Apparatus for Recording and Reproducing Sound.” This was the first use of wax recording, and the first design for removable and replayable records.

#antiquephonographsociety #phonograph #gramophone #antique
Tainter341288.png
Tainter341288b.png
Tainter.JPG

User avatar
Phono-Phan
Victor V
Posts: 2920
Joined: Fri Apr 06, 2012 9:38 pm
Location: Plover, WI

Re: Bell-Tainter Graphophone

Post by Phono-Phan »

Thanks for posting.

User avatar
phonogfp
Victor Monarch Special
Posts: 8366
Joined: Wed Jan 07, 2009 5:08 pm
Personal Text: "If you look for the bad in people expecting to find it, you surely will." - A. Lincoln
Location: New York's Finger Lakes

Re: Bell-Tainter Graphophone

Post by phonogfp »

You're very welcome, Ken.

George P.

User avatar
Garjen127
Victor O
Posts: 90
Joined: Fri Jun 07, 2024 4:16 pm
Personal Text: Cylinder Phonograph Enthusiast
Location: Orange county CA

Re: Bell-Tainter Graphophone

Post by Garjen127 »

how many of the original long black wax cylinders survive? I know they are very rare but I don't know just how rare.
“Success is not final, failure is not fatal: It is the courage to continue that counts.” – James Watt

Post Reply