“On This Day in the History of Recorded Sound…”
May 4, 1886: Chichester Bell & Charles Sumner Tainter were granted a U.S. patent for “Recording and Reproducing Speech & Other Sounds.” No.341,214. This patent specified engraving sound rather than indenting it, and was one of the fundamental patents upon which the Columbia Phonograph Company was built.
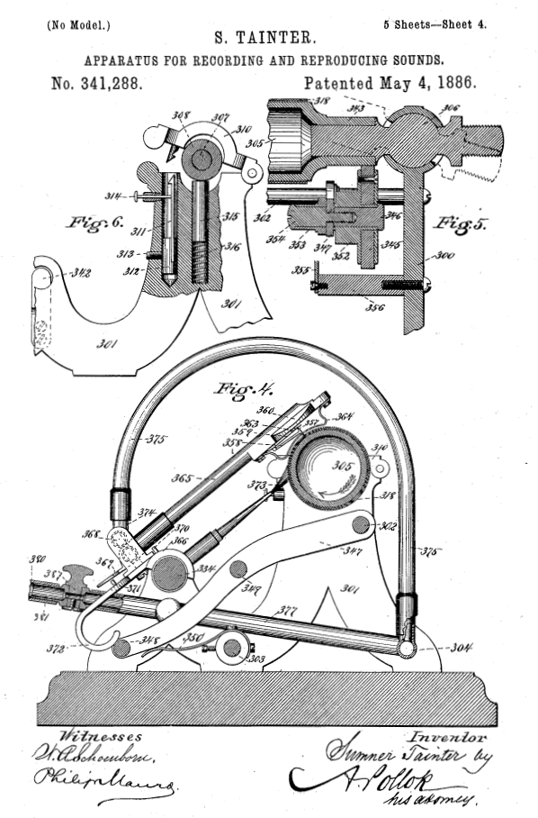
May 4, 1886: Charles Sumner Tainter was granted a U.S. patent for “Apparatus for Recording and Reproducing Sound.” No.341,288. This patent specified the use of wax on removable and replayable cylinders.
May 4, 1887: Emile Berliner filed for a U.S. patent for a “Gramophone.” Although a cylinder apparatus was illustrated, the laterally-cut groove of even depth was eventually employed on disc records.
May 4, 1909: John Herzog was granted U.S. Design Patent No.39,970 for the cabinet that was marketed as the Columbia Grafonola “Deluxe.”
#antiquephonographsociety #phonograph #gramophone #antique
"On This Rather Important Day (May 4)..."
-
Onlinephonogfp
- Victor Monarch Special
- Posts: 8283
- Joined: Wed Jan 07, 2009 5:08 pm
- Personal Text: "If you look for the bad in people expecting to find it, you surely will." - A. Lincoln
- Location: New York's Finger Lakes
- paradroid1793
- Victor II
- Posts: 359
- Joined: Wed Jan 22, 2025 7:37 pm
- Personal Text: His Master's Voice
- Location: Midland, Michigan
- Contact:
Re: "On This Rather Important Day (May 4)..."
May the 4th be with you. 
Be sure to look up Samuel Murchison Seka on the interwebs for some music and phonograph reading material.