Removeable & Replayable Records

Discussions on Records, Recording, & Artists
Post Reply
User avatar
phonogfp
Victor Monarch Special
Posts: 8342
Joined: Wed Jan 07, 2009 5:08 pm
Personal Text: "If you look for the bad in people expecting to find it, you surely will." - A. Lincoln
Location: New York's Finger Lakes

Removeable & Replayable Records

Post by phonogfp »

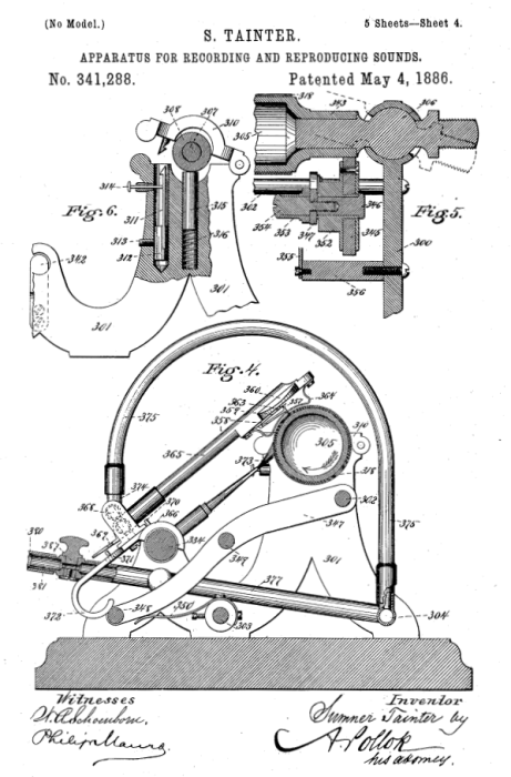
“On This Day in the History of Recorded Sound…”

December 4, 1885: Charles Sumner Tainter filed for a U.S. patent for “Apparatus for Recording and Reproducing Sound.” This was the first use of wax recording, and the first design for removable and replayable records.

https://www.antiquephono.org/#/
Tainter341288.png
Tainter341288b.png

Post Reply