HMV Junior Monarch: Speed Control Question

Discussions on Talking Machines of British or European Manufacture
Post Reply
JerryVan
Victor Monarch Special
Posts: 6831
Joined: Mon Aug 24, 2009 3:08 pm
Location: Southeast MI

HMV Junior Monarch: Speed Control Question

Post by JerryVan »

At this past weekend's Stanton auction I picked up an HMV Junior Monarch. From the start, I had questions about the speed control. Looking at images on the internet, there appears to be maybe 3 styles of controls. The first being the common HMV/Victor thumbscrew going through the oval plate. The next, is a control with a pointer that sweeps across a "quadrant" that's graduated from "Fast" to "Slow". The third appears to be a questionable variation of the second, with a thumbscrew, but still using the quadrant plate. Mine seems to resemble the third variant. I suspect that the quadrant plate is correct, but the thumbscrew is not.

So, what say you, our phono friends from Europe? What is correct... and are there any for sale?
DSC06778.JPG
DSC06772.JPG
DSC06774.JPG
DSC06775.JPG
DSC06776.JPG

JerryVan
Victor Monarch Special
Posts: 6831
Joined: Mon Aug 24, 2009 3:08 pm
Location: Southeast MI

Re: HMV Junior Monarch: Speed Control Question

Post by JerryVan »

It's looking more apparent that this is how my control should look. I can make, (or hopefully purchase), the control arm and knob, but the question remains as to what the rest of the control mechanism looks like and how does it operate.

HMV.2.png
HMV.2.png (219.73 KiB) Viewed 3303 times
Last edited by JerryVan on Wed Apr 09, 2025 6:45 am, edited 1 time in total.

User avatar
Steve
Victor VI
Posts: 3928
Joined: Sun Feb 15, 2009 4:40 pm
Location: London, Paris, Amsterdam, Berlin, New York, Evesham

Re: HMV Junior Monarch: Speed Control Question

Post by Steve »

JerryVan wrote: Tue Apr 08, 2025 6:19 pm It's looking more apparent that this is how my control should look. I can make, (or hopefully purchase), the control arm and knob, but the question remains as to what the rest of the control machanism looks like and how does it operate.


HMV.2.png
I have a Spanish machine with this speed control which although working does need some attention. I've been looking for a spare for years. They don't turn up very frequently unfortunately.

JerryVan
Victor Monarch Special
Posts: 6831
Joined: Mon Aug 24, 2009 3:08 pm
Location: Southeast MI

Re: HMV Junior Monarch: Speed Control Question

Post by JerryVan »

Steve wrote: Wed Apr 09, 2025 4:26 am
JerryVan wrote: Tue Apr 08, 2025 6:19 pm It's looking more apparent that this is how my control should look. I can make, (or hopefully purchase), the control arm and knob, but the question remains as to what the rest of the control mechanism looks like and how does it operate.
I have a Spanish machine with this speed control which although working does need some attention. I've been looking for a spare for years. They don't turn up very frequently unfortunately.
Thanks, Steve. That's what I expected. Are there any pictures that you could provide that would explain the workings of this control? Some views from underneath, perhaps?

When the speed control is moved/adjusted, does this shaft move vertically up & down within the speed indicator dial?
HMV.2.1.png
HMV.2.1.png (222.46 KiB) Viewed 3242 times

User avatar
Steve
Victor VI
Posts: 3928
Joined: Sun Feb 15, 2009 4:40 pm
Location: London, Paris, Amsterdam, Berlin, New York, Evesham

Re: HMV Junior Monarch: Speed Control Question

Post by Steve »

JerryVan wrote: Wed Apr 09, 2025 6:43 am
Steve wrote: Wed Apr 09, 2025 4:26 am
JerryVan wrote: Tue Apr 08, 2025 6:19 pm It's looking more apparent that this is how my control should look. I can make, (or hopefully purchase), the control arm and knob, but the question remains as to what the rest of the control mechanism looks like and how does it operate.
I have a Spanish machine with this speed control which although working does need some attention. I've been looking for a spare for years. They don't turn up very frequently unfortunately.
Thanks, Steve. That's what I expected. Are there any pictures that you could provide that would explain the workings of this control? Some views from underneath, perhaps?

When the speed control is moved/adjusted, does this shaft move vertically up & down within the speed indicator dial?

HMV.2.1.png
I'll try and get a photo of mine for you. I know the vertical centre bar on mine is loose and that affects the speed so I believe you're quite right. I cannot remember why I need to replace mine but I recall a part is missing or slightly truncated but it's been a few years since I've looked at it closely! I will get back to you.

JerryVan
Victor Monarch Special
Posts: 6831
Joined: Mon Aug 24, 2009 3:08 pm
Location: Southeast MI

Re: HMV Junior Monarch: Speed Control Question

Post by JerryVan »

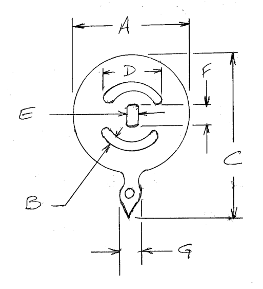
Steve, or anyone else who can help, if it's not too much to ask, when you have a chance to take a look at your example of this control, I could use the following dimensions in order to make a copy. If it's too much of an imposition I would completely understand. Thanks!
HMV J.M. Control.png
HMV J.M. Control.png (37.99 KiB) Viewed 3167 times

JerryVan
Victor Monarch Special
Posts: 6831
Joined: Mon Aug 24, 2009 3:08 pm
Location: Southeast MI

Re: HMV Junior Monarch: Speed Control Question

Post by JerryVan »

Getting no response, I have come up with dimensions using existing photos and comparing those images with known dimensions in order to establish a "scale factor" from which to calculate unknown dimensions. What I still don't know is, what is inside the lower end of the speed control assembly. Probably nobody knows without actually taking one apart, which I would never expect or want anyone to do. Still, if anyone can add some clarity, (or sell me a speed control ;) ), I would really appreciate it.

HMV.7.jpeg

JerryVan
Victor Monarch Special
Posts: 6831
Joined: Mon Aug 24, 2009 3:08 pm
Location: Southeast MI

Re: HMV Junior Monarch: Speed Control Question

Post by JerryVan »

Here is the control, so far. Still a bit more finishing to do. It should be steel, but brass is easier to work with and will be easier to nickel plate.
DSC06789.JPG
DSC06787.JPG
DSC06786.JPG
DSC06785.JPG
Attachments
DSC06788.JPG

Post Reply