Electric credenza weak power

Discussions on Talking Machines & Accessories
Post Reply
User avatar
chrisg
Victor III
Posts: 614
Joined: Sat Oct 05, 2013 10:24 am
Location: North Carolina
Contact:

Electric credenza weak power

Post by chrisg »

I got a Victor elecric credenza . The motor seems to run fine without playing a record. Quickly stops when playing a record. I know nothing about the electrolas. Any thoughts
Attachments
IMG_20250425_432.jpg

User avatar
electrolaman 64
Victor II
Posts: 263
Joined: Fri May 18, 2018 7:49 pm
Personal Text: Look for the Dog
Location: Indianapolis, IN
Contact:

Re: Electric credenza weak power

Post by electrolaman 64 »

This is a symptom of one of the coils being open.

Another forum member was talking to me this evening and noticed the fuse is gone in the crossover wire . Was that ever there? If not then put one in it and try again!

Also for more accurate help, how about showing us a actual photo of "your" Credenza motor instead of something you grabbed off of Ebay.........
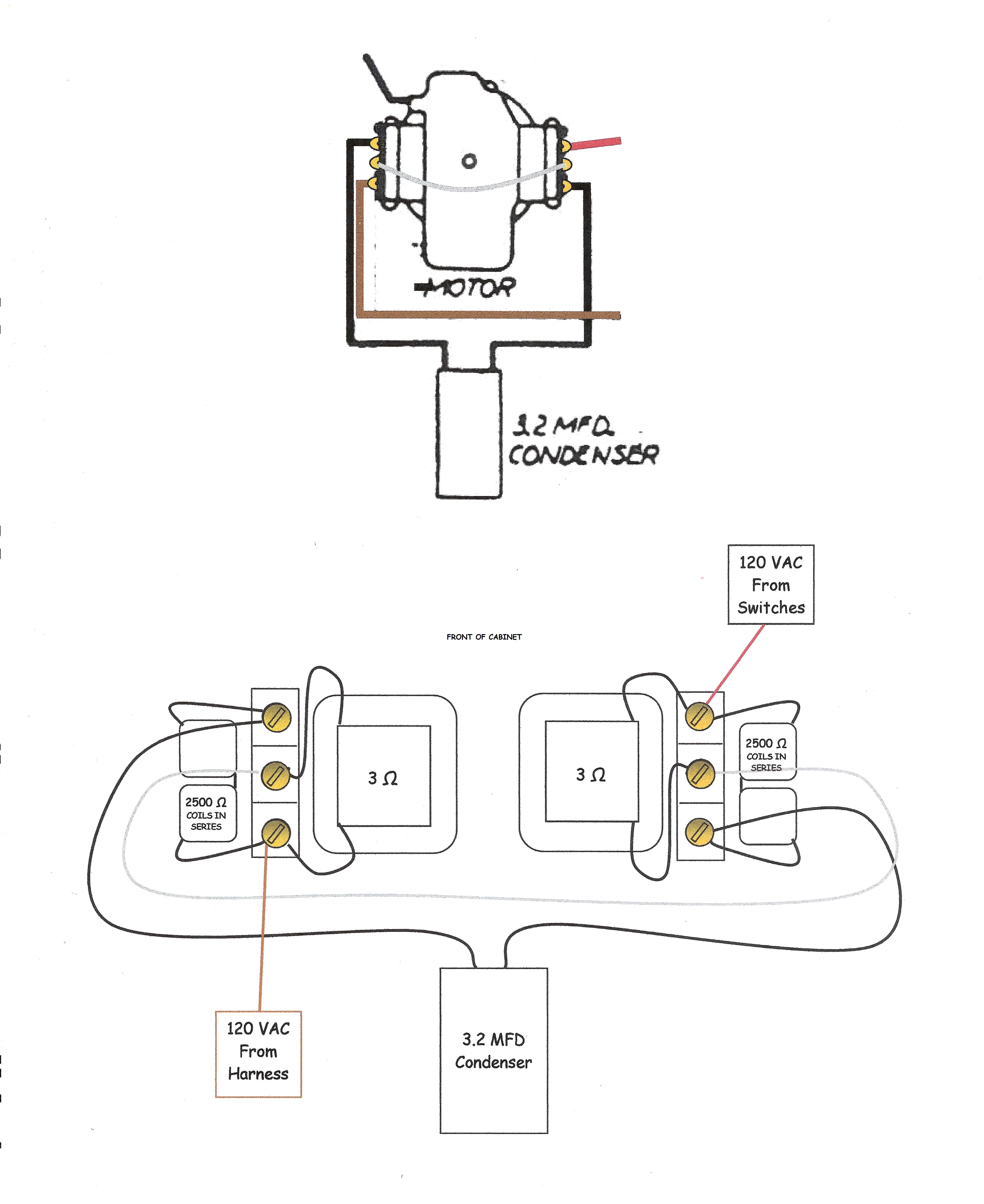
Victor motor wiring Diagram.jpg
Note: This diagram is for a changer so the Credenza will not have the 3.2mfd capacitor.
Carlton Smith
Indianapolis, IN

electrolaman 64

User avatar
chrisg
Victor III
Posts: 614
Joined: Sat Oct 05, 2013 10:24 am
Location: North Carolina
Contact:

Re: Electric credenza weak power

Post by chrisg »

electrolaman 64 wrote: Sat Apr 26, 2025 8:53 am This is a symptom of one of the coils being open.

Another forum member was talking to me this evening and noticed the fuse is gone in the crossover wire . Was that ever there? If not then put one in it and try again!

Also for more accurate help, how about showing us a actual photo of "your" Credenza motor instead of something you grabbed off of Ebay.........

Victor motor wiring Diagram.jpg

Note: This diagram is for a changer so the Credenza will not have the 3.2mfd capacitor.
Thank you, I will check the windings

MarkELynch
Victor III
Posts: 562
Joined: Tue Jun 02, 2009 10:19 pm
Location: Silver Spring, MD

Re: Electric credenza weak power

Post by MarkELynch »

Chris,

Have you made any progress? We noticed that the photo you posted here is from an EBay advertisement. Can you show us your motor if not the same one?

The problem is most likely a weak coil or open wire. BTW the fuse was only used on the earliest versions, it was replaced with a direct wire crossing between the coils, the motor will not run without the fuse or the wire being connected.
IMG_1582.png
I posted the Victor Service Bulletin for the Induction Disc motor in the Forum Archive section. You can find it here:

viewtopic.php?t=60607

Let us know what you learn.

Mark

phonojim
Victor IV
Posts: 1489
Joined: Wed May 20, 2009 8:20 pm
Location: Mid - Michigan

Re: Electric credenza weak power

Post by phonojim »

I own Credenza X, serial # 700, which has a factory-installed fuse. When I acquired it, there was a 15 amp fuse installed which would likely let the smoke smoke out well before it blew. I experimented with various fuse values and found that (IIRC) a 1.5 amp slow blow fuse was the lowest value that will work without blowing from the motor starting surge. If anyone is interested, let me know and I will pull the motor board, check the exact fuse value and post it.

MarkELynch
Victor III
Posts: 562
Joined: Tue Jun 02, 2009 10:19 pm
Location: Silver Spring, MD

Re: Electric credenza weak power

Post by MarkELynch »

I located the answer about the fuse in the induction disc motor, it is mentioned in the 1926 Victor Hyperion Owner’s Manual.
The fuse rating is 2 Amps and is designed to prevent motor damage if connected to a direct current circuit. DC mains current was common in some parts of the US particularly New York City. The fuse was only used in the earliest motor production, it was soon eliminated and replaced with a wire between the coil pairs.

Mark
IMG_1787.jpeg

MarkELynch
Victor III
Posts: 562
Joined: Tue Jun 02, 2009 10:19 pm
Location: Silver Spring, MD

Re: Electric credenza weak power

Post by MarkELynch »

I had an opportunity to work on an early induction disc motor that contains the fuse. Indeed the installed fuse is 2A (250V).
As started earlier the fuse was used to protect the motor if connected to DC mains. The fuse and holder were soon eliminated and replaced with a single wire connecting the two coils.

Mark

IMG_5199.jpeg
IMG_5200.jpeg

Post Reply